Гидронасос ДЭМ 310
Гидронасос ДЭМ 310
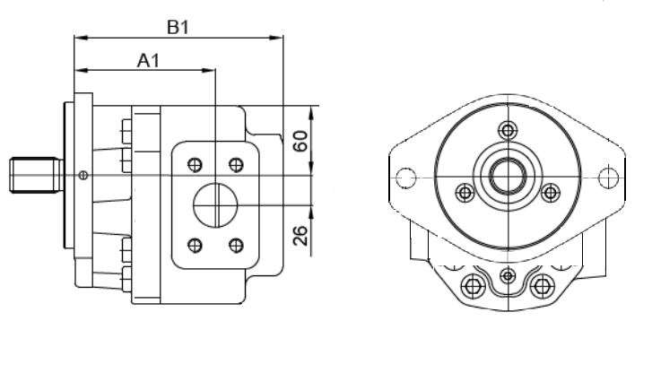
Гидронасос применяется в гидросистеме рабочего оборудования экскаваторов-погрузчиков ДЭМ-310, ЧЛМЗ-310, ЛМЗ-310.1, ELEX 81A-01.
Характеристики:
- Масса — 20 кг.
- Габаритные размеры: 213 мм x 172 мм x 177 мм.
- Pmax=25 MПa.
Категории: Гидронасосы, Запчасти и ремкомплекты
Метка: Гидронасос ДЭМ 310
Описание
Описание
- Гидронасос ДЭМ 310.
Гидронасос применяется в гидросистеме рабочего оборудования экскаваторов-погрузчиков ДЭМ-310, ЧЛМЗ-310, ЛМЗ-310.1, ELEX 81A-01.
Характеристики:
- Масса — 20 кг.
- Габаритные размеры: 213 мм x 172 мм x 177 мм.
- Pmax=25 MПa.
Отзывы (0)
Будьте первым, кто оставил отзыв на “Гидронасос ДЭМ 310” Отменить ответ

Отзывы
Отзывов пока нет.