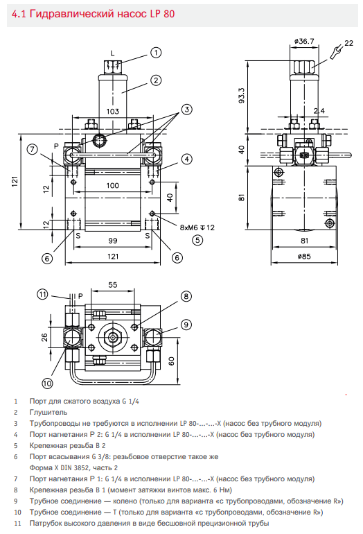
Гидронасос HAWE LP80-8/Hydraulic pump HAWE LP80-8
Гидронасос HAWE LP80-8/Hydraulic pump HAWE LP80-8
Широкий ассортимент соединительных блоков и сочетаемых с ними групп клапанов позволяет с легкостью
создавать готовые к подключению комплексные решения.
Описание
Гидронасос HAWE LP80-8/Hydraulic pump HAWE LP80-8
Гидравлические агрегаты с пневмоприводом представляют собой плунжерные насосы попеременной подачи с пневматическим приводом. Они
работают как пневматический преобразователь давления с колебательным
движением и
■ энергоснабжение посредством сжатого воздуха
■ возможность реализация функции «старт-стоп» через насос
Области применения автоматическим реверсивным управлением.
Гидравлический насос с пневмоприводом типа LP может генерировать
рабочее давление до 700 бар. Производительность зависит от настроенного давления воздуха и в настоящий момент действующего гидравлического противодавления. Она может падать до состояния останова насоса.
Насос перезапускается автоматически, как только снизится гидравлическое
давление у потребителя (поддержание напора).
Гидравлический насос типа LP, выполненный в виде одиночного насоса,
доступен в исполнении с верхней плитой или в виде гидравлического
агрегата с баками разных размеров. Широкий ассортимент соединительных блоков и сочетаемых с ними групп клапанов позволяет с легкостью
создавать готовые к подключению комплексные решения.
Особенности и преимущества
■ высокое рабочее давление
■ использование во взрывоопасных зонах
■ Строительное оборудование и техника для изготовления стройматериалов
■ Оборудование для подготовительной горной выработки
■ Испытательное и лабораторное оборудование
Краткая техническая характеристика гидронасоса:
Pmax=700 bar
Стандарт: ATEX
Конструкция: Одиночный насос
Корпус: Алюминевый сплав
Корпус Насоса: Сталь

Отзывы
Отзывов пока нет.